Descrizione
Manico pieghevole ad anello di alta qualitĆ in ottone massiccio e robusto, superficie: bronzo bianco, opaco satinato, 587-40WB
Applicazione:
Maniglia ad anello 587-40WB per camper, barca, sportello di ispezione, porta di ispezione.

Le maniglie pieghevoli ad anello 587-40WB di alta qualitĆ sono perfette per applicazioni in cui l’impugnatura deve rimanere nascosta.
Possono essere montati sia verticalmente che orizzontalmente.
Le maniglie pieghevoli in acciaio inossidabile a forma di anello 587-40WB hanno un design semplice ed elegante e possono essere utilizzate in molti modi.
L’impugnatura ad anello 587-40WB ĆØ ideale per, tra le altre cose:
- yacht
- Camper
- Barca
- sportello di ispezione
- sportello di ispezione
Materiale:
- Le maniglie pieghevoli ad anello di alta qualitĆ 587-40WB sono realizzate in ottone
Superficie:
- Bronzo bianco, opaco satinato
Montaggio:
- Le maniglie pieghevoli ad anello 587-40WB sono incassate
- Il fissaggio avviene con l’aiuto delle viti incluse nella fornitura (vite a testa tonda piatta M4 x 25)
- Per il montaggio, ĆØ necessario realizzare un foro di 40,3 mm (1-19/32″) x 30,5 mm (1-13/64″) sulla porta
- La profonditĆ del foro deve essere di almeno 15 mm (19/32″) mm (vedere il
disegno di assemblaggio
per ulteriori dettagli)

ProprietĆ :
- Peso: 40 g
- Dimensioni: 30,5 mm (1,3″)
- anulare
- Spessore del materiale: 2 mm (5/64″)
- Affidabile
- Stabile
- Robusto
- Bronzo bianco, opaco satinato
- Alta qualitĆ del marchio Sugatsune / LAMPĀ®
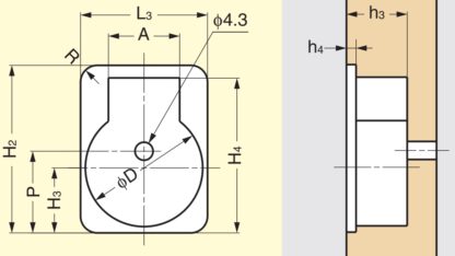
Per ulteriori dimensioni e dettagli vedere disegno tecnico .
Le dimensioni:
- Lunghezza maniglia pieghevole ad anello (H1): 40,3 mm (1-19/32″)
- Larghezza (L): 30.5 mm (1-13/64″)
- ProfonditĆ (h1): 13,6 mm (17/32″)
- Diametro dell’anello di impugnatura (L1): Φ24 mm (15/16″)
- Diametro area impugnatura (L2): Φ16,5 mm (21/32″)

Incluso nella consegna:
- Manico pieghevole ad anello 587-40WB in 1 pezzo realizzato in ottone massiccio e robusto, bronzo bianco, satinato opaco
- 1 vite a testa rotonda M4 x 25 in acciaio
Numero di riferimento del produttore:
- ID personalizzato: 100-016-010
- Numero articolo: 587-40WB
- Codice EAN: 4510932010863
Produttore: Sugatsune / LAMPĀ® (Giappone)