Descrizione
Maniglia con chiusura a scatto nascosta, in robusto poliacetale (POM), superficie: bianco, AK-60WT e AK-C60WT
Applicazione:
Pratica maniglia di sicurezza per interni di yacht, conversioni di camper, mobili per roulotte, camper e molto altro.

La maniglia con chiavistello di sicurezza AK-60WT viene utilizzata per bloccare in modo sicuro le porte a battente e a battente e impedisce l’apertura involontaria in caso di vibrazioni.
Durante la chiusura, il meccanismo della maniglia di chiusura a pulsante AK-60WT si innesta automaticamente e mantiene la porta chiusa in modo affidabile con 196 N.
La maniglia di chiusura a pulsante AK-60WT ĆØ adatta per porte di spessore da 15 mm (19/32″) a 25 mm (63/64″).

Per aprirla ĆØ sufficiente una leggera pressione sul pulsante incassato nel frontale della porta; Non ci sono maniglie o pulsanti, in modo da mantenere un aspetto liscio.
L’alloggiamento in robusto poliacetale (POM) ĆØ resistente alla corrosione e adatto al settore dell’arredamento e degli yacht.
I distanziatori inclusi nella fornitura consentono l’adattamento a diversi spessori dei pannelli.

Il tappo di copertura AK-C60WT, anch’esso incluso nella fornitura, può essere utilizzato se necessario e nasconde ordinatamente i bordi tagliati.
Pertanto, il prodotto combina sicurezza, facilitĆ d’uso e moderazione estetica.
Le impugnature a scatto di alta qualitĆ 140-050-215 e 140-050-213 sono ideali, tra l’altro, per:
- Camper
- Allestimento di negozi
- Ante per mobili
- Risolvere
- Porte
- Pensili cucina
- Interni dello yacht
- Conversione camper
- Mobili per roulotte
- camper
Materiale:
- Le impugnature con chiusura a scatto 140-050-215 e 140-050-213 sono realizzate in robusto poliacetale (POM)
- Il poliacetale (POM) combina un’elevata resistenza all’abrasione e all’usura con un basso coefficiente di attrito, in modo che i raccordi funzionino senza problemi a lungo termine
- Grazie alla sua elevata stabilitĆ dimensionale e dimensionale, anche al variare dell’umiditĆ , viene mantenuta la precisione di montaggio di cerniere, cassetti o serrature
Superficie:
- Bianco
- Le finiture bianche trasmettono un’estetica pulita e moderna
- Il colore bianco riflette la luce in modo efficace, rendendo le stanze più luminose e visivamente più grandi
- Inoltre, gli oggetti bianchi sono poco appariscenti e facili da pulire, il che li rende particolarmente pratici per l’uso quotidiano

Montaggio:

- Il fissaggio viene effettuato utilizzando le sei viti incluse nella fornitura (6 viti a testa cilindrica, autofilettanti (2 pezzi 3,5 x 15 mm, 2 pezzi 3,5 x 20 mm e 2 pezzi 4,0 x 15 mm))
- Innanzitutto, ĆØ necessario eseguire una fresatura all’interno della porta
- La chiusura a scatto viene inserita a filo e avvitata con viti autofilettanti con testa di rilegatura da 3,5 x 15 mm o 3,5 x 20 mm
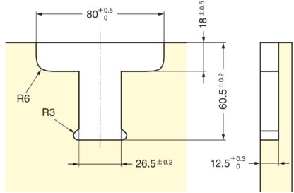
- La contropiastra ĆØ posizionata nel corpo con un interasse di 60,5 mm (2-3/8″) e avvitata in posizione
- Per pannelli di spessore inferiore a 25 mm (63/64″), le piastre distanziatrici in dotazione sono posizionate tra loro
- Infine, il funzionamento viene testato chiudendo la porta e aprendola a pressione (per maggiori dettagli, vedere il disegno di montaggio)


ProprietĆ :
- Peso: 69 g
- CapacitĆ di carico (capacitĆ di carico): 196 N (20 kp)
- Dimensioni: 80 mm (3-5/32″)
- Disponibile nei colori bianco e marrone
- Facile da installare, pratico, stabile
- Per porte sporgesse intonaco
- Meccanismo di spinta autobloccante
- Montaggio ad incasso
- Mantiene le porte ben chiuse
- Per spessori di porta da 15 mm (19/32″) a 25 mm (63/64″)
- Per porte con un’altezza massima di 700 mm (27-9/16″)
- Per porte con una larghezza massima di 500 mm (19-11/16″)
- Apertura silenziosa con la semplice pressione di un pulsante
- Incl. Tappo di copertura
- Facile adattamento ai diversi spessori delle porte
- Adatto per mobili, veicoli e nautica
- Peso ridotto
- bianco
- robusto (leggero)
- alta qualitĆ del marchio Sugatsune / LAMPĀ®
Le dimensioni:
- Larghezza della maniglia con chiusura a scatto: 50 mm (1-31/32″)
- Larghezza manico: 80 mm (3-5/32″)
Per maggiori dimensioni e dettagli, vedere il disegno tecnico.

Incluso nella consegna:
- 1 pezzo Maniglia con chiusura a scatto 140-050-215 e 140-050-213 in robusto poliacetale, bianco
- 1 pezzo tappo di copertura AK-C60WT
- 2 pezzi piastra distanziatrice 5 mm per porte sottili
- 1 pezzo di contropiastra
- 6 viti a testa bombata, autofilettanti (2 pezzi 3,5 x 15 mm, 2 pezzi 3,5 x 20 mm e 2 pezzi 4,0 x 15 mm)
Informazioni aggiuntive:
Numero di riferimento del produttore:
- ID articolo: 140-050-215 e 140-050-213
- Codice SKU: AK-60WT e AK-C60WT
- Numero EAN: 4510932000369 e 4510932000352
Produttore: Sugatsune / LAMPĀ® (Giappone)


















